Architecture
Architecture
Architecture
10 building materials of the future
10 building materials of the future
10 building materials of the future



22.05.24
/
8 min.
by
Snizhana Kovalivska
Over the years, innovations have significantly propelled the construction industry forward, enhancing efficiency and safety in large-scale projects. The impact of these advancements is evident across all sectors, from architectural software to construction machinery. However, the most remarkable developments are in construction materials, which are turning futuristic projects into reality.
Bioplastic Cladding
Made of Air, a German startup specializing in eco-friendly materials, has developed a patented bioplastic that absorbs pollutants. This non-toxic substance is made from biochar, a material similar to charcoal, consisting almost entirely of carbon. It is produced by burning biomass, such as wood scraps and agricultural by-products. The biochar is then mixed with a sugarcane-based binder, resulting in a material that can be melted and molded like conventional thermoplastics.



Alusion Aluminum Panels
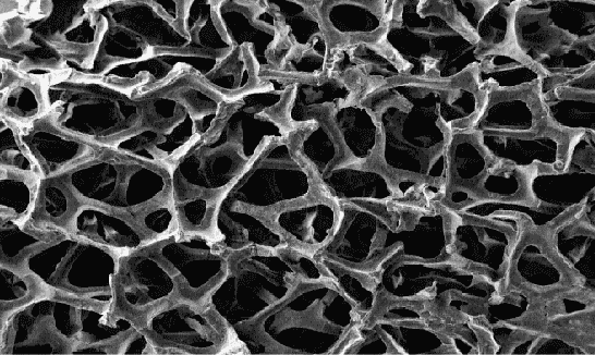
Alusion panels are among the most innovative materials in the construction industry. These panels are made from stabilized aluminum foam, resembling metallic sponges. They are strong, lightweight, fire-resistant, soundproof, and easy to install. Common applications include wall panels, ceilings, lighting fixtures, and flooring.




3D-Printed Mycelium
London-based Blast Studio has pioneered a method of 3D printing using mycelium, creating structural supports. The process involves mixing mycelium with raw materials from used coffee cups collected across London. This mixture is fed into a custom low-temperature extruder, similar to those used for 3D printing clay. Once printed, the mycelium consumes the paper cups and grows, enveloping the entire structure. Additionally, it produces edible mushrooms.




Light-Generating Cement
Cement that absorbs sunlight during the day and emits light at night is now a reality. Available in blue and green, this light-generating cement can be used in parking lots, swimming pools, and sidewalks.


Hemp Rebar
Researchers at Rensselaer Polytechnic Institute in the USA are developing hemp rebar. Hemp is one of the most carbon-absorbing plants globally, and it is hoped that it will become a low-cost, low-carbon alternative to traditional steel rebar, also addressing corrosion issues and extending the lifespan of concrete structures.


Self-Healing Concrete
This innovative type of concrete mimics the self-healing properties of the human body. It could revolutionize the construction industry by creating structures that require less maintenance and are more resistant to damage. Self-healing concrete is made by incorporating adhesive properties and healing agents or bacteria into the concrete mix. These properties extend the material's lifespan and reduce repair costs, making it ideal for sidewalks and parking lots.


3D Graphene
Graphene, a single layer of carbon atoms arranged in a hexagonal lattice, forms a three-dimensional structure when stacked. This groundbreaking material is ten times stronger than steel but only 5% as dense. 3D graphene is used to create cylindrical supports for skyscrapers and other tall buildings.


Carbon-reinforced concrete
This newly developed concrete type is reinforced with carbon fiber strands, requiring much less concrete for the same strength. Carbon-reinforced concrete can be used for strengthening or repairing bridges and structures. It also enables new construction methods, allowing for internal building walls made of panels just a few centimeters thick, providing a sleek and lightweight aesthetic. Its potential applications span the entire construction spectrum, from renovations to new builds.


Transparent Wood
Transparent wood is a revolutionary invention in the construction sector. It offers the strength of lumber but is lighter. This advanced material is made by pressing and treating thin wood strips with polymers. Transparent wood is an excellent alternative to glass and plastic, as it does not shatter upon impact and is stronger than glass. It reduces glare and helps maintain a consistent temperature within buildings, lowering energy consumption by minimizing the need for artificial lighting. Common uses include roofing and walls.

Loofah Bio-Bricks
Developed by researchers at the Indian School of Design and Innovation in Mumbai, these bio-bricks are made from soil, cement, charcoal, and organic loofah fibers, a plant commonly used to make bath sponges.
The key difference from traditional bricks is the air content. These blocks contain more air pockets than standard bricks, making them 20 times more porous. These air bubbles, created by the natural gaps in the loofah's fibrous network, are crucial for plant life and allow the bricks to support animal and plant habitats.

By integrating these innovative materials, the construction industry is not only advancing in terms of efficiency and safety but also moving towards a more sustainable and eco-friendly future. Our architectural studio is excited about the possibility of incorporating these cutting-edge materials into our projects soon.
22.05.24
/
8 min.
by
Snizhana Kovalivska
Over the years, innovations have significantly propelled the construction industry forward, enhancing efficiency and safety in large-scale projects. The impact of these advancements is evident across all sectors, from architectural software to construction machinery. However, the most remarkable developments are in construction materials, which are turning futuristic projects into reality.
Bioplastic Cladding
Made of Air, a German startup specializing in eco-friendly materials, has developed a patented bioplastic that absorbs pollutants. This non-toxic substance is made from biochar, a material similar to charcoal, consisting almost entirely of carbon. It is produced by burning biomass, such as wood scraps and agricultural by-products. The biochar is then mixed with a sugarcane-based binder, resulting in a material that can be melted and molded like conventional thermoplastics.



Alusion Aluminum Panels
Alusion panels are among the most innovative materials in the construction industry. These panels are made from stabilized aluminum foam, resembling metallic sponges. They are strong, lightweight, fire-resistant, soundproof, and easy to install. Common applications include wall panels, ceilings, lighting fixtures, and flooring.




3D-Printed Mycelium
London-based Blast Studio has pioneered a method of 3D printing using mycelium, creating structural supports. The process involves mixing mycelium with raw materials from used coffee cups collected across London. This mixture is fed into a custom low-temperature extruder, similar to those used for 3D printing clay. Once printed, the mycelium consumes the paper cups and grows, enveloping the entire structure. Additionally, it produces edible mushrooms.




Light-Generating Cement
Cement that absorbs sunlight during the day and emits light at night is now a reality. Available in blue and green, this light-generating cement can be used in parking lots, swimming pools, and sidewalks.


Hemp Rebar
Researchers at Rensselaer Polytechnic Institute in the USA are developing hemp rebar. Hemp is one of the most carbon-absorbing plants globally, and it is hoped that it will become a low-cost, low-carbon alternative to traditional steel rebar, also addressing corrosion issues and extending the lifespan of concrete structures.


Self-Healing Concrete
This innovative type of concrete mimics the self-healing properties of the human body. It could revolutionize the construction industry by creating structures that require less maintenance and are more resistant to damage. Self-healing concrete is made by incorporating adhesive properties and healing agents or bacteria into the concrete mix. These properties extend the material's lifespan and reduce repair costs, making it ideal for sidewalks and parking lots.


3D Graphene
Graphene, a single layer of carbon atoms arranged in a hexagonal lattice, forms a three-dimensional structure when stacked. This groundbreaking material is ten times stronger than steel but only 5% as dense. 3D graphene is used to create cylindrical supports for skyscrapers and other tall buildings.


Carbon-reinforced concrete
This newly developed concrete type is reinforced with carbon fiber strands, requiring much less concrete for the same strength. Carbon-reinforced concrete can be used for strengthening or repairing bridges and structures. It also enables new construction methods, allowing for internal building walls made of panels just a few centimeters thick, providing a sleek and lightweight aesthetic. Its potential applications span the entire construction spectrum, from renovations to new builds.


Transparent Wood
Transparent wood is a revolutionary invention in the construction sector. It offers the strength of lumber but is lighter. This advanced material is made by pressing and treating thin wood strips with polymers. Transparent wood is an excellent alternative to glass and plastic, as it does not shatter upon impact and is stronger than glass. It reduces glare and helps maintain a consistent temperature within buildings, lowering energy consumption by minimizing the need for artificial lighting. Common uses include roofing and walls.

Loofah Bio-Bricks
Developed by researchers at the Indian School of Design and Innovation in Mumbai, these bio-bricks are made from soil, cement, charcoal, and organic loofah fibers, a plant commonly used to make bath sponges.
The key difference from traditional bricks is the air content. These blocks contain more air pockets than standard bricks, making them 20 times more porous. These air bubbles, created by the natural gaps in the loofah's fibrous network, are crucial for plant life and allow the bricks to support animal and plant habitats.

By integrating these innovative materials, the construction industry is not only advancing in terms of efficiency and safety but also moving towards a more sustainable and eco-friendly future. Our architectural studio is excited about the possibility of incorporating these cutting-edge materials into our projects soon.
22.05.24
/
8 min.
by
Snizhana Kovalivska
Over the years, innovations have significantly propelled the construction industry forward, enhancing efficiency and safety in large-scale projects. The impact of these advancements is evident across all sectors, from architectural software to construction machinery. However, the most remarkable developments are in construction materials, which are turning futuristic projects into reality.
Bioplastic Cladding
Made of Air, a German startup specializing in eco-friendly materials, has developed a patented bioplastic that absorbs pollutants. This non-toxic substance is made from biochar, a material similar to charcoal, consisting almost entirely of carbon. It is produced by burning biomass, such as wood scraps and agricultural by-products. The biochar is then mixed with a sugarcane-based binder, resulting in a material that can be melted and molded like conventional thermoplastics.



Alusion Aluminum Panels
Alusion panels are among the most innovative materials in the construction industry. These panels are made from stabilized aluminum foam, resembling metallic sponges. They are strong, lightweight, fire-resistant, soundproof, and easy to install. Common applications include wall panels, ceilings, lighting fixtures, and flooring.




3D-Printed Mycelium
London-based Blast Studio has pioneered a method of 3D printing using mycelium, creating structural supports. The process involves mixing mycelium with raw materials from used coffee cups collected across London. This mixture is fed into a custom low-temperature extruder, similar to those used for 3D printing clay. Once printed, the mycelium consumes the paper cups and grows, enveloping the entire structure. Additionally, it produces edible mushrooms.




Light-Generating Cement
Cement that absorbs sunlight during the day and emits light at night is now a reality. Available in blue and green, this light-generating cement can be used in parking lots, swimming pools, and sidewalks.


Hemp Rebar
Researchers at Rensselaer Polytechnic Institute in the USA are developing hemp rebar. Hemp is one of the most carbon-absorbing plants globally, and it is hoped that it will become a low-cost, low-carbon alternative to traditional steel rebar, also addressing corrosion issues and extending the lifespan of concrete structures.


Self-Healing Concrete
This innovative type of concrete mimics the self-healing properties of the human body. It could revolutionize the construction industry by creating structures that require less maintenance and are more resistant to damage. Self-healing concrete is made by incorporating adhesive properties and healing agents or bacteria into the concrete mix. These properties extend the material's lifespan and reduce repair costs, making it ideal for sidewalks and parking lots.


3D Graphene
Graphene, a single layer of carbon atoms arranged in a hexagonal lattice, forms a three-dimensional structure when stacked. This groundbreaking material is ten times stronger than steel but only 5% as dense. 3D graphene is used to create cylindrical supports for skyscrapers and other tall buildings.


Carbon-reinforced concrete
This newly developed concrete type is reinforced with carbon fiber strands, requiring much less concrete for the same strength. Carbon-reinforced concrete can be used for strengthening or repairing bridges and structures. It also enables new construction methods, allowing for internal building walls made of panels just a few centimeters thick, providing a sleek and lightweight aesthetic. Its potential applications span the entire construction spectrum, from renovations to new builds.


Transparent Wood
Transparent wood is a revolutionary invention in the construction sector. It offers the strength of lumber but is lighter. This advanced material is made by pressing and treating thin wood strips with polymers. Transparent wood is an excellent alternative to glass and plastic, as it does not shatter upon impact and is stronger than glass. It reduces glare and helps maintain a consistent temperature within buildings, lowering energy consumption by minimizing the need for artificial lighting. Common uses include roofing and walls.

Loofah Bio-Bricks
Developed by researchers at the Indian School of Design and Innovation in Mumbai, these bio-bricks are made from soil, cement, charcoal, and organic loofah fibers, a plant commonly used to make bath sponges.
The key difference from traditional bricks is the air content. These blocks contain more air pockets than standard bricks, making them 20 times more porous. These air bubbles, created by the natural gaps in the loofah's fibrous network, are crucial for plant life and allow the bricks to support animal and plant habitats.

By integrating these innovative materials, the construction industry is not only advancing in terms of efficiency and safety but also moving towards a more sustainable and eco-friendly future. Our architectural studio is excited about the possibility of incorporating these cutting-edge materials into our projects soon.
Other Articles
More to read


